Мы используем cookie для наилучшего представления нашего сайта. Подробнее об этом в Политике конфиденциальности.
Ок

Назрань

Ваш город:
Назрань (Республика Ингушетия)?
Нет
Да
Каталог
Каталог Написать в WhatsApp
Мотоэкипировка

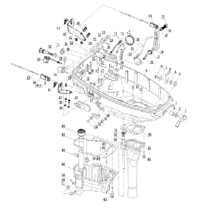
Нижний корпус (дистанция) 2-х тактного ПЛМ MARLIN 20F

Нижний корпус (дистанция) 2-х тактного ПЛМ MARLIN 20F в Назрани: актуальный каталог, цены, фото, описание. Купите нижний корпус (дистанция) 2-х тактного плм marlin 20f в кредит – оформите заявку онлайн за 1 минуту!

Оригинальные запчасти

Артикул НАИМЕНОВАНИЕ Кол-во деталей в узле Примечание Наличие Цена Аналоги Фото
1 DQDF15-00.03.03 Резиновая втулка A

Под заказ

1

Под заказ

уточнить

530

Купить
2 20FE-01.03.12.00 Провод (7пин) на аккум.

Под заказ

1

Под заказ

уточнить

7 010

Купить
3 20FE-01.03.13.00 Провод (7пин)

Под заказ

1

Под заказ

уточнить

3 210

Купить
4 20FE-02.00.00.14 Кронштейн крепления троса реверс 20FE-02.00.00.14

Под заказ

1

Под заказ

уточнить

3 370

Купить
5 20FE-02.00.00.13 Кронштейн крепления троса газа 20FE-02.00.00.13

Под заказ

1

Под заказ

уточнить

3 950

Купить

Нулевая цена не означает отсутствие товара. Оформите заказ, и менеджер сообщит вам цену и наличие товара, предварительно запросив их у поставщика

Главная Магазины
Корзина0
Профиль