Мы используем cookie для наилучшего представления нашего сайта. Подробнее об этом в Политике конфиденциальности.
Ок

Назрань

Ваш город:
Назрань (Республика Ингушетия)?
Нет
Да
Каталог
Каталог Написать в WhatsApp
Мотоэкипировка

Компоненты закачки масла 2-Х ТАКТНОГО ПЛМ MERCURY 60 Серийный номер от 9973100 до 0P016999

Компоненты закачки масла 2-Х ТАКТНОГО ПЛМ MERCURY 60 Серийный номер от 9973100 до 0P016999 в Назрани: актуальный каталог, цены, фото, описание. Купите компоненты закачки масла 2-х тактного плм mercury 60 серийный номер от 9973100 до 0p016999 в кредит – оформите заявку онлайн за 1 минуту!

Оригинальные запчасти

Артикул НАИМЕНОВАНИЕ Кол-во деталей в узле Примечание Наличие Цена Аналоги Фото
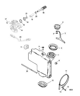
1 812718T1 Маслобак (TANK ASSY-OIL)

Под заказ

1

Под заказ

уточнить

Купить
2 828765A2 Крышка (CAP ASSEMBLY)

Под заказ

1

Под заказ

уточнить

Купить
3 821285 Гайка (NUT-PUSH)

Под заказ

1

Под заказ

уточнить

Купить
4 8M0039080 SEAL-OIL TANK

Под заказ

1

Под заказ

уточнить

Купить
5 19299A1 Фиксатор (VENT ASSY)

Под заказ

1

Под заказ

уточнить

Купить
6 64871 Клапан (VALVE-CHECK)

Под заказ

1

Под заказ

уточнить

Купить
7 813644002 Втулка (GROMMET-OIL TANK)

Под заказ

1

Под заказ

уточнить

Купить
8 99162001 Колодка (BOOT)

Под заказ

1

Под заказ

уточнить

Купить
9 8M0039085 BOOT

Под заказ

1

Под заказ

уточнить

Купить
10 12886A6 Датчик уровня масла (SWITCH ASSY)

Под заказ

1

Под заказ

уточнить

Купить
11 58376 Болт (SCREW)

Под заказ

1

Под заказ

уточнить

Купить
12 72761 Шайба (WASHER, WIRING HARNESS CLAMP SCREW)

Под заказ

1

Под заказ

уточнить

Купить
13 818902A1 Маслянный насос (PUMP ASSY-OIL)

Под заказ

1

Под заказ

уточнить

Купить
14 62705 Уплотнительное кольцо (O RING @2)

Под заказ

1

Под заказ

уточнить

Купить
15 36390 Резиновое кольцо (O RING)

Под заказ

1

Под заказ

уточнить

Купить
16 40011108 Болт (SCREW)

Под заказ

2

Под заказ

уточнить

Купить
17 19277 Приводной шток (GEAR-DRIVEN)

Под заказ

1

Под заказ

уточнить

Купить
18 19278A2 Втулка штока привода маслонасоса(BEARING ASSEMBLY)

Под заказ

1

Под заказ

уточнить

Купить
19 17597 Втулка (BUSHING)

Под заказ

1

Под заказ

уточнить

Купить
20 17596 Втулка (JOURNAL BUSHING)

Под заказ

1

Под заказ

уточнить

Купить
21 82381335 Шланг (TUBING, (15.00 Inches Bulk))

Под заказ

1

Под заказ

уточнить

Купить
22 8M0084729 Тяга (LINK-OIL PUMP ASY)

Под заказ

1

Под заказ

уточнить

Купить

Нулевая цена не означает отсутствие товара. Оформите заказ, и менеджер сообщит вам цену и наличие товара, предварительно запросив их у поставщика

Главная Магазины
Корзина0
Профиль