Мы используем cookie для наилучшего представления нашего сайта. Подробнее об этом в Политике конфиденциальности.
Ок

Назрань

Ваш город:
Назрань (Республика Ингушетия)?
Нет
Да
Каталог
Каталог Написать в WhatsApp
Мотоэкипировка

Корпус карданного вала 2-Х ТАКТНОГО ПЛМ MERCURY 75 Серийный номер от 0A996142 до 0B240450

Корпус карданного вала 2-Х ТАКТНОГО ПЛМ MERCURY 75 Серийный номер от 0A996142 до 0B240450 в Назрани: актуальный каталог, цены, фото, описание. Купите корпус карданного вала 2-х тактного плм mercury 75 серийный номер от 0a996142 до 0b240450 в кредит – оформите заявку онлайн за 1 минуту!

Оригинальные запчасти

Артикул НАИМЕНОВАНИЕ Кол-во деталей в узле Примечание Наличие Цена Аналоги Фото
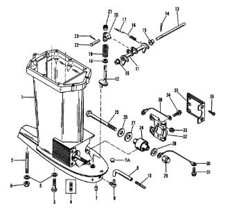
1 8974T23 HOUSING ASSEMBLY, Driveshaft

Под заказ

1

Под заказ

уточнить

Купить
2 903501 Шпилька M10 x 100 (STUD)

Под заказ

1

Под заказ

уточнить

Купить
3 903502 STUD, DRIVE SHAFT HOUSING (X-LONG)

Под заказ

1

Под заказ

уточнить

Купить
4 45176 Шайба (WASHER, GEAR HOUSING STUDS)

Под заказ

5

Под заказ

уточнить

Купить
5 40140 Гайка М10 (NUT @2)

Под заказ

1

Под заказ

уточнить

Купить
6 429222 GUIDE, Non Power Trim

Под заказ

1

Под заказ

уточнить

Купить
7 429221 PLUG, Power Trim, Black, Gray

Под заказ

1

Под заказ

уточнить

Купить
8 85822A4 PICKUP ASSEMBLY, Speedometer

Под заказ

1

Под заказ

уточнить

Купить
9 433351 Коннектор (CONNECTOR)

Под заказ

1

Под заказ

уточнить

Купить
10 85822T Коннектор прямой (CONNECTOR)

Под заказ

1

Под заказ

уточнить

Купить
11 14664A2 REVERSE HOOK ASSEMBLY

Под заказ

1

Под заказ

уточнить

Купить
12 16686 PUSH ROD - NON POWER TRIM

Под заказ

1

Под заказ

уточнить

Купить
13 99606 SHAFT, REVERSE LOCK

Под заказ

1

Под заказ

уточнить

Купить
14 45882 COTTER PIN, REVERSE LOCK TO SHAFT

Под заказ

1

Под заказ

уточнить

Купить
15 69132 BUSHING, RVERSE PIVOT SHAFT

Под заказ

2

Под заказ

уточнить

Купить
16 996261 SPRING, REVERSE LOCK

Под заказ

1

Под заказ

уточнить

Купить
17 47959 Шплинт (COTTER PIN, TILT LOCK TUBE)

Под заказ

1

Под заказ

уточнить

Купить
18 8M0042642 WASHER @5

Под заказ

1

Под заказ

уточнить

Купить
19 44297 SPRING, PUSH ROD - LATER MODELS

Под заказ

1

Под заказ

уточнить

Купить
20 996361 YOKE

Под заказ

1

Под заказ

уточнить

Купить
21 82670911 NUT, (.312-24)

Под заказ

1

Под заказ

уточнить

Купить
22 99663 CLEVIS PIN, REVERSE LOCK

Под заказ

1

Под заказ

уточнить

Купить
23 25191 Шплинт (PIN-COTTER @2)

Под заказ

1

Под заказ

уточнить

Купить
24 42930A1 Буфер

Под заказ

2

Под заказ

уточнить

Купить
25 44343T1 Крепление (MOUNT)

Под заказ

2

Под заказ

уточнить

Купить
26 898835001 SCREW, (M12 x 154)

Под заказ

2

Под заказ

уточнить

Купить
27 28051 WASHER, LOWER MOUNT SCREW

Под заказ

2

Под заказ

уточнить

Купить
28 28053 WASHER, RUBBER - LOWER MOUNT SCREW

Под заказ

2

Под заказ

уточнить

Купить
29 30119 WASHER, LOWER MOUNT SCREW

Под заказ

2

Под заказ

уточнить

Купить
30 43528 NUT, (M12)

Под заказ

2

Под заказ

уточнить

Купить
31 88238A10 Кабель (CABLE ASSY)

Под заказ

2

Под заказ

уточнить

Купить
32 41508 SCREW

Под заказ

1

Под заказ

уточнить

Купить
33 8M0036730 CLAMP

Под заказ

2

Под заказ

уточнить

Купить
34 40011149 SCREW, (M8 x 25)

Под заказ

4

Под заказ

уточнить

Купить
35 67077F1 COVER

Под заказ

1

Под заказ

уточнить

Купить
36 12092A3 SPACER KIT

Под заказ

1

Под заказ

уточнить

Купить
37 12092A4 SPACER, DRIVE SHAFT HOUSING - X-LONG (MARINER)

Под заказ

1

Под заказ

уточнить

Купить

Нулевая цена не означает отсутствие товара. Оформите заказ, и менеджер сообщит вам цену и наличие товара, предварительно запросив их у поставщика

Главная Магазины
Корзина0
Профиль