Мы используем cookie для наилучшего представления нашего сайта. Подробнее об этом в Политике конфиденциальности.
Ок

Назрань

Ваш город:
Назрань (Республика Ингушетия)?
Нет
Да
Каталог
Каталог Написать в WhatsApp
Мотоэкипировка

Струбцина 2-Х ТАКТНОГО ПЛМ TITAN TP30AWHS

Струбцина 2-Х ТАКТНОГО ПЛМ TITAN TP30AWHS в Назрани: актуальный каталог, цены, фото, описание. Купите струбцина 2-х тактного плм titan tp30awhs в кредит – оформите заявку онлайн за 1 минуту!

Оригинальные запчасти

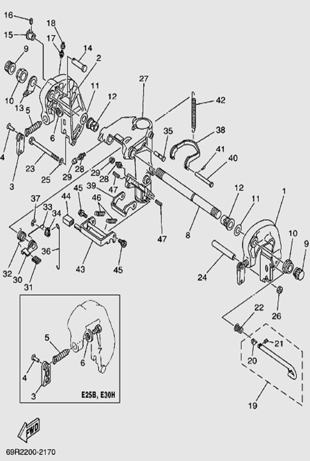
Артикул НАИМЕНОВАНИЕ Кол-во деталей в узле Примечание Наличие Цена Аналоги Фото
1 372-14001 Скоба струбцины левая

Под заказ

N/A

Под заказ

уточнить

Купить
2 372-14002 Скоба струбцины правая

Под заказ

N/A

Под заказ

уточнить

Купить
3 15FMH-13009 Ручка винта струбцины

Под заказ

N/A

Под заказ

уточнить

Купить
4 15FMH-13010 Штифт ручки винта струбцины

Под заказ

N/A

Под заказ

уточнить

Купить
5 15FMH-13011 Зажим винтовой

Под заказ

N/A

Под заказ

уточнить

Купить
6 15FMH-13012 Шайба-площадка зажима струбцины

Под заказ

N/A

Под заказ

уточнить

Купить
7 15FMH-13011-1 Болт М5*13,5

Под заказ

N/A

Под заказ

уточнить

Купить
8 PNFM40E-13009 Трубка под рулевой трос

Под заказ

N/A

Под заказ

уточнить

Купить
9 PNFM40E-13013 Колпачок вала струбцин

Под заказ

N/A

Под заказ

уточнить

Купить
10 15FMH-13018 Гайка самоконтрящаяся

Под заказ

N/A

Под заказ

уточнить

Купить
11 PNFM40E-13011 Шайба втулки

Под заказ

N/A

Под заказ

уточнить

Купить
12 PNFM40E-13010 Втулка

Под заказ

N/A

Под заказ

уточнить

Купить
13 15FMH-13017 Пластина

Под заказ

N/A

Под заказ

уточнить

Купить
14 372-14014 Вал

Под заказ

N/A

Под заказ

уточнить

Купить
15 372-14015 Ручка

Под заказ

N/A

Под заказ

уточнить

Купить
16 372-14016 Штифт 3*16

Под заказ

N/A

Под заказ

уточнить

Купить
17 15FMH-14001 Штуцер

Под заказ

N/A

Под заказ

уточнить

Купить
18 15FMH-13025 Шток угла дифферента Т30Р (14-19)

Под заказ

N/A

Под заказ

уточнить

1 670

Купить
19 15FMH-13026 Пластина запирающая

Под заказ

N/A

Под заказ

уточнить

Купить
20 15FMH-13028 Штифт

Под заказ

N/A

Под заказ

уточнить

Купить
21 15FMH-13029 Пружина штока угла дифферента

Под заказ

N/A

Под заказ

уточнить

Купить
22 372-14023 Болт М8*155

Под заказ

N/A

Под заказ

уточнить

Купить
23 372-14024 Втулка

Под заказ

N/A

Под заказ

уточнить

Купить
24 PNFM40E-21034 Шайба

Под заказ

N/A

Под заказ

уточнить

Купить
25 15FMH-14018 Гайка

Под заказ

N/A

Под заказ

уточнить

Купить
26 372-14027 Кронштейн шарнирного соединения

Под заказ

N/A

Под заказ

уточнить

Купить
27 15FMH-14001 Штуцер

Под заказ

N/A

Под заказ

уточнить

Купить
28 372-14030 Ручка рычага наклона в сборе

Под заказ

N/A

Под заказ

уточнить

Купить
29 372-14032 Пружина 65Мп

Под заказ

N/A

Под заказ

уточнить

Купить
30 372-14033 Тяга

Под заказ

N/A

Под заказ

уточнить

Купить
31 372-14034 Рычаг поворотный

Под заказ

N/A

Под заказ

уточнить

Купить
32 372-14035 Вал

Под заказ

N/A

Под заказ

уточнить

Купить
33 372-14036 Тяга

Под заказ

N/A

Под заказ

уточнить

Купить
34 372-14038 Замок наклона

Под заказ

N/A

Под заказ

уточнить

Купить
35 372-14039 Замок наклона

Под заказ

N/A

Под заказ

уточнить

Купить
36 372-14040 Штифт

Под заказ

N/A

Под заказ

уточнить

Купить
37 15FMH-11012 Штифт 1,6*12

Под заказ

N/A

Под заказ

уточнить

Купить
38 372-14042 Пружина

Под заказ

N/A

Под заказ

уточнить

Купить
39 372-14043 Опора

Под заказ

N/A

Под заказ

уточнить

Купить
40 372-14045 Болт М6*10

Под заказ

N/A

Под заказ

уточнить

Купить
41 372-14046 Пружина

Под заказ

N/A

Под заказ

уточнить

Купить
42 372-14047 Штифт 4*36

Под заказ

N/A

Под заказ

уточнить

Купить

Нулевая цена не означает отсутствие товара. Оформите заказ, и менеджер сообщит вам цену и наличие товара, предварительно запросив их у поставщика

Главная Магазины
Корзина0
Профиль