Мы используем cookie для наилучшего представления нашего сайта. Подробнее об этом в Политике конфиденциальности.
Ок

Назрань

Ваш город:
Назрань (Республика Ингушетия)?
Нет
Да
Каталог
Каталог Написать в WhatsApp
Мотоэкипировка

Впускная система 4-Х ТАКТНОГО ПЛМ TITAN FTP20AWHS

Впускная система 4-Х ТАКТНОГО ПЛМ TITAN FTP20AWHS в Назрани: актуальный каталог, цены, фото, описание. Купите впускная система 4-х тактного плм titan ftp20awhs в кредит – оформите заявку онлайн за 1 минуту!

Оригинальные запчасти

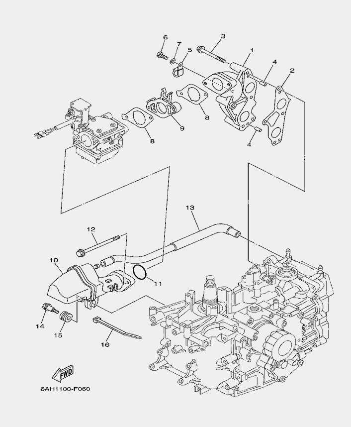
Артикул НАИМЕНОВАНИЕ Кол-во деталей в узле Примечание Наличие Цена Аналоги Фото
1 963-06001 Коллектор впускной

Под заказ

1

Под заказ

уточнить

Купить
2 963-06002 Прокладка впускного коллектора

Под заказ

1

Под заказ

уточнить

Купить
3 15FMH-14026 Болт

Под заказ

4

Под заказ

уточнить

Купить
4 963-06004 Штифт установочный 54х1.4

Под заказ

2

Под заказ

уточнить

Купить
5 963-06005 Держатель

Под заказ

2

Под заказ

уточнить

Купить
6 15FMH-12004 Болт

Под заказ

2

Под заказ

уточнить

Купить
7 963-06008 Прокладка карбюратора

Под заказ

2

Под заказ

уточнить

Купить
8 963-06009 Изолятор карбюратора

Под заказ

1

Под заказ

уточнить

Купить
9 963-06010 Глушитель

Под заказ

1

Под заказ

уточнить

Купить
10 963-06011 Кольцо прокладка глушителя

Под заказ

1

Под заказ

уточнить

Купить
11 963-06012 Болт M6×100-b20

Под заказ

2

Под заказ

уточнить

Купить
12 963-06013 Шланг

Под заказ

1

Под заказ

уточнить

Купить
13 963-06014 Болт

Под заказ

1

Под заказ

уточнить

Купить
14 963-06015 Втулка

Под заказ

1

Под заказ

уточнить

Купить

Нулевая цена не означает отсутствие товара. Оформите заказ, и менеджер сообщит вам цену и наличие товара, предварительно запросив их у поставщика

Главная Магазины
Корзина0
Профиль