Мы используем cookie для наилучшего представления нашего сайта. Подробнее об этом в Политике конфиденциальности.
Ок

Назрань

Ваш город:
Назрань (Республика Ингушетия)?
Нет
Да
Каталог
Каталог Написать в WhatsApp
Мотоэкипировка

Кронштейн 2-Х ТАКТНОГО ПЛМ YAMABISI T40BWS

Кронштейн 2-Х ТАКТНОГО ПЛМ YAMABISI T40BWS в Назрани: актуальный каталог, цены, фото, описание. Купите кронштейн 2-х тактного плм yamabisi t40bws в кредит – оформите заявку онлайн за 1 минуту!

Оригинальные запчасти

Артикул НАИМЕНОВАНИЕ Кол-во деталей в узле Примечание Наличие Цена Аналоги Фото
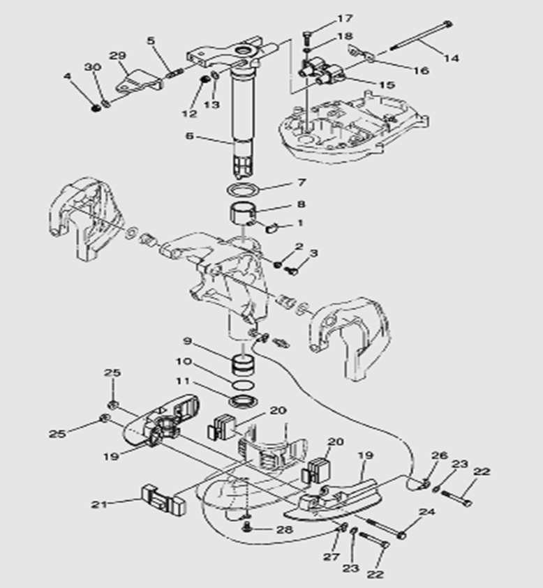
1 PNFM40E-14001 Пластина фрикционная

Под заказ

1

Под заказ

уточнить

Купить
2 PNFM40E-14002 Уплотнитель

Под заказ

1

Под заказ

уточнить

Купить
3 PNFM40E-14003 Болт

Под заказ

1

Под заказ

уточнить

Купить
4 PNFM40E-14004 Гайка самоконтрящаяся

Под заказ

2

Под заказ

уточнить

Купить
5 PNFM40E-14005 Болт

Под заказ

2

Под заказ

уточнить

Купить
6 PNFMH40-14006S Кронштейн поворотный

Под заказ

1

Под заказ

уточнить

Купить
7 PNFM40E-14007 Шайба

Под заказ

1

Под заказ

уточнить

Купить
8 PNFM40E-14008 Втулка

Под заказ

1

Под заказ

уточнить

Купить
9 PNFM40E-14009 Втулка

Под заказ

1

Под заказ

уточнить

Купить
10 PNFM40E-14010 Кольцо уплотнительное

Под заказ

1

Под заказ

уточнить

Купить
11 PNFM40E-14011 Втулка

Под заказ

1

Под заказ

уточнить

Купить
12 PNFM40E-14012 Гайка самоконтрящаяся

Под заказ

2

Под заказ

уточнить

Купить
13 PNFM40E-14013 Шайба

Под заказ

2

Под заказ

уточнить

Купить
14 PNFM40E-14017 Болт с шайбой

Под заказ

3

Под заказ

уточнить

Купить
15 PNFM40E-14018 Крышка демпфера

Под заказ

2

Под заказ

уточнить

Купить
16 PNFM40E-14019 Демпфер нижний

Под заказ

2

Под заказ

уточнить

Купить
17 PNFM40E-14020 Демпфер резиновый

Под заказ

1

Под заказ

уточнить

Купить
18 PNFM40E-14021 Болт с шайбой

Под заказ

2

Под заказ

уточнить

Купить
19 PNFM40E-14022 Болт с шайбой

Под заказ

2

Под заказ

уточнить

Купить
20 PNFM40E-14024 Провод

Под заказ

1

Под заказ

уточнить

Купить
21 PNFM40E-14025 Провод

Под заказ

1

Под заказ

уточнить

Купить
22 PNFM40E-14026 Винт

Под заказ

1

Под заказ

уточнить

Купить
23 PNFM40E-14027 Скоба

Под заказ

1

Под заказ

уточнить

Купить
24 PNFM40E-14028 Шайба

Под заказ

1

Под заказ

уточнить

Купить

Нулевая цена не означает отсутствие товара. Оформите заказ, и менеджер сообщит вам цену и наличие товара, предварительно запросив их у поставщика

Главная Магазины
Корзина0
Профиль