Мы используем cookie для наилучшего представления нашего сайта. Подробнее об этом в Политике конфиденциальности.
Ок

Назрань

Ваш город:
Назрань (Республика Ингушетия)?
Нет
Да
Каталог
Каталог Написать в WhatsApp
Мотоэкипировка

Румпель 2-Х ТАКТНОГО ПЛМ YAMABISI T40BWS

Румпель 2-Х ТАКТНОГО ПЛМ YAMABISI T40BWS в Назрани: актуальный каталог, цены, фото, описание. Купите румпель 2-х тактного плм yamabisi t40bws в кредит – оформите заявку онлайн за 1 минуту!

Оригинальные запчасти

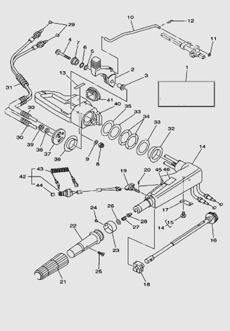
Артикул НАИМЕНОВАНИЕ Кол-во деталей в узле Примечание Наличие Цена Аналоги Фото
1 PNFMH40-15000 Румпель в сборе

Под заказ

1

Под заказ

уточнить

Купить
2 PNFMH40-15001 Ручка переключения передач

Под заказ

1

Под заказ

уточнить

Купить
3 PNFMH40-15002 Втулка ручки п/п

Под заказ

1

Под заказ

уточнить

Купить
4 PNFMH40-15003 Болт с шайбой

Под заказ

1

Под заказ

уточнить

Купить
5 PNFMH40-15004 Болт

Под заказ

1

Под заказ

уточнить

Купить
6 15FMH-10011 Шайба

Под заказ

1

Под заказ

уточнить

Купить
7 PNFMH40-15006 Втулка ручки п/п

Под заказ

1

Под заказ

уточнить

Купить
8 PNFMH40-15007 Гайка

Под заказ

1

Под заказ

уточнить

Купить
9 PNFMH40-15008 Шайба

Под заказ

1

Под заказ

уточнить

Купить
10 PNFMH40-15009 Тяга переключения передач

Под заказ

1

Под заказ

уточнить

Купить
11 PNFMH40-15010 Шайба

Под заказ

1

Под заказ

уточнить

Купить
12 15FMH-11033 Шплинт

Под заказ

1

Под заказ

уточнить

Купить
13 15FMH-11032 Индикатор п/п

Под заказ

1

Под заказ

уточнить

Купить
14 PNFMH40-15013 Корпус румпеля

Под заказ

1

Под заказ

уточнить

Купить
15 PNFMH40-15014 Болт

Под заказ

2

Под заказ

уточнить

Купить
16 PNFMH40-15015 Вал регулировки газа

Под заказ

1

Под заказ

уточнить

Купить
17 PNFMH40-15016 Фиксатор

Под заказ

1

Под заказ

уточнить

Купить
18 15FMH-11011 Направляющая оси румпеля

Под заказ

1

Под заказ

уточнить

Купить
19 PNFMH40-15018 Болт регулировочный румпеля

Под заказ

1

Под заказ

уточнить

Купить
20 PNFMH40-15019 Штифт

Под заказ

1

Под заказ

уточнить

Купить
21 15FMH-11016 Ручка резиновая

Под заказ

1

Под заказ

уточнить

Купить
22 15FMH-11013 Втулка ручки румпеля

Под заказ

1

Под заказ

уточнить

Купить
23 PNFMH40-15022 Индикатор газа

Под заказ

1

Под заказ

уточнить

Купить
24 15FMH-11015 Заклепка

Под заказ

1

Под заказ

уточнить

Купить
25 PNFMH40-15024 Винт

Под заказ

1

Под заказ

уточнить

Купить
26 15FMH-11018 Шайба

Под заказ

1

Под заказ

уточнить

Купить
27 PNFMH40-15026 Пружина компрессионная

Под заказ

1

Под заказ

уточнить

Купить
28 PNFMH40-15027 Втулка

Под заказ

1

Под заказ

уточнить

Купить
29 PNFMH40-15028 Трос газа

Под заказ

2

Под заказ

уточнить

Купить
30 PNFMH40-15029 Трубка L75

Под заказ

2

Под заказ

уточнить

Купить
31 PNFMH40-15030 Трубка L40

Под заказ

2

Под заказ

уточнить

Купить
32 PNFMH40-15031 Втулка

Под заказ

1

Под заказ

уточнить

Купить
33 PNFMH40-15032 Шайба румпеля

Под заказ

2

Под заказ

уточнить

Купить
34 PNFMH40-15033 Шайба румпеля волнистая

Под заказ

2

Под заказ

уточнить

Купить
35 PNFMH40-15034 Шайба румпеля

Под заказ

1

Под заказ

уточнить

Купить
36 PNFMH40-15035 Втулка румпеля

Под заказ

1

Под заказ

уточнить

Купить
37 PNFMH40-15036 Шайба управления румпеля

Под заказ

1

Под заказ

уточнить

Купить
38 PNFMH40-15037 Гайка

Под заказ

1

Под заказ

уточнить

Купить
39 PNFM40E-14004 Гайка самоконтрящаяся

Под заказ

1

Под заказ

уточнить

Купить
40 PNFMH40-15039 Кронштейн румпеля

Под заказ

1

Под заказ

уточнить

Купить
41 PNFMH40-15040 Уплотнитель

Под заказ

1

Под заказ

уточнить

Купить
42 PNFMH40-15041 Кнопка остановки двигателя в сборе

Под заказ

1

Под заказ

уточнить

Купить
43 15FMH-11035 Чека кнопки остановки

Под заказ

1

Под заказ

уточнить

Купить
44 15FMH-11036 Колпачек кнопки

Под заказ

1

Под заказ

уточнить

Купить

Нулевая цена не означает отсутствие товара. Оформите заказ, и менеджер сообщит вам цену и наличие товара, предварительно запросив их у поставщика

Главная Магазины
Корзина0
Профиль