Мы используем cookie для наилучшего представления нашего сайта. Подробнее об этом в Политике конфиденциальности.
Ок

Назрань

Ваш город:
Назрань (Республика Ингушетия)?
Нет
Да
Каталог
Каталог Написать в WhatsApp
Мотоэкипировка

Стартер 2-Х ТАКТНОГО ПЛМ YAMABISI T40BWS

Стартер 2-Х ТАКТНОГО ПЛМ YAMABISI T40BWS в Назрани: актуальный каталог, цены, фото, описание. Купите стартер 2-х тактного плм yamabisi t40bws в кредит – оформите заявку онлайн за 1 минуту!

Оригинальные запчасти

Артикул НАИМЕНОВАНИЕ Кол-во деталей в узле Примечание Наличие Цена Аналоги Фото
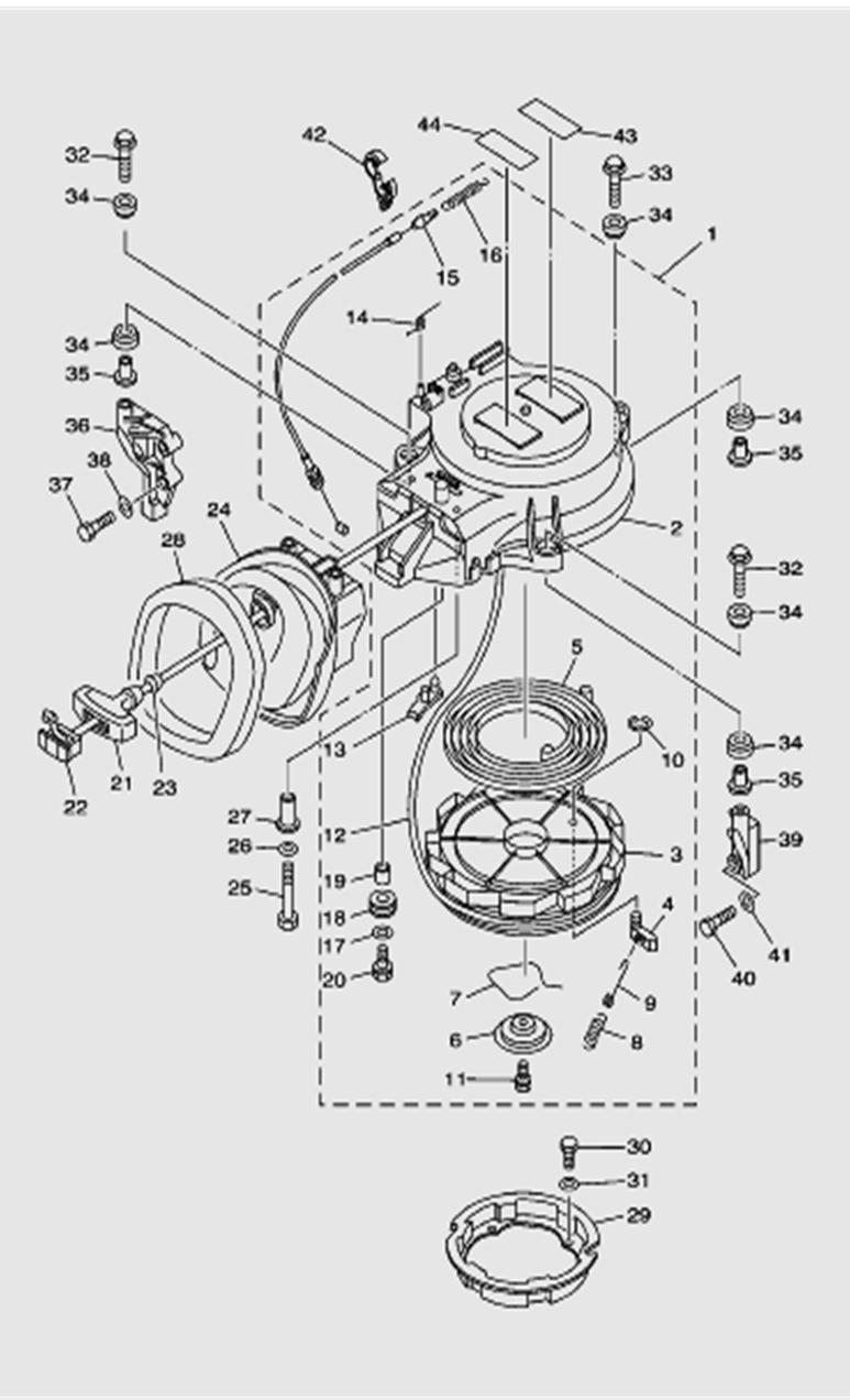
1 PNFM40E-07001 Ручной стартер в сборе

Под заказ

1

Под заказ

уточнить

Купить
2 PNFM40E-07002 Корпус ручного стартера

Под заказ

1

Под заказ

уточнить

Купить
3 15FMH-07006 Стопор -упор Т15

В наличии

1

В наличии

730

850

Купить
4 PNFM40E-07005 Большая пружина стартера

Под заказ

1

Под заказ

уточнить

Купить
5 PNFM40E-07012 Веревка стартера L:1800MM

Под заказ

1

Под заказ

уточнить

Купить
6 PNFM40E-07013 Стопор включения передачи

Под заказ

1

Под заказ

уточнить

Купить
7 PNFM40E-07014 Пружина стопора возвратная

Под заказ

1

Под заказ

уточнить

Купить
8 PNFM40E-07015 Трос стопора включения передач

Под заказ

1

Под заказ

уточнить

Купить
9 PNFM40E-07016 Пружина возвратная троса стартера

Под заказ

1

Под заказ

уточнить

Купить
10 PNFM40E-07017 Шайба болта крепления стартера

Под заказ

1

Под заказ

уточнить

Купить
11 PNFM40E-07018 Уплотнение болта крепления стартера

Под заказ

1

Под заказ

уточнить

Купить
12 PNFM40E-07019 Втулка болта стартера

Под заказ

1

Под заказ

уточнить

Купить
13 PNFM40E-07020 Болт стартера

Под заказ

1

Под заказ

уточнить

Купить
14 PNFM40E-07021 Ручка стартера

Под заказ

1

Под заказ

уточнить

Купить
15 PNFM40E-07022 Заглушка ручки стартера

Под заказ

1

Под заказ

уточнить

Купить
16 PNFM40E-07023 Демпфер

Под заказ

1

Под заказ

уточнить

Купить
17 PNFM40E-07024 Отбойник стартера

Под заказ

1

Под заказ

уточнить

Купить
18 PNFM40E-07026 Болт с шайбой

Под заказ

2

Под заказ

уточнить

Купить
19 PNFM40E-07027 Втулка болта крепления стартера

Под заказ

2

Под заказ

уточнить

Купить
20 PNFM40E-07028 Демпфер отбойника стартера

Под заказ

1

Под заказ

уточнить

Купить
21 PNFM40E-07029 Основание стартера

Под заказ

1

Под заказ

уточнить

Купить
22 PNFM40E-07031 Болт с шайбой

Под заказ

2

Под заказ

уточнить

Купить
23 PNFM40E-07032 Болт с шайбой

Под заказ

1

Под заказ

уточнить

Купить
24 PNFM40E-07033 Уплотнитель

Под заказ

6

Под заказ

уточнить

Купить
25 PNFM40E-07034 Втулка болта крепления стартера

Под заказ

3

Под заказ

уточнить

Купить
26 PNFM40E-07035 Кронштейн

Под заказ

1

Под заказ

уточнить

Купить
27 PNFM40E-07037 Крепеж стартера

Под заказ

1

Под заказ

уточнить

Купить
28 PNFM40E-07038 Зажим

Под заказ

1

Под заказ

уточнить

Купить

Нулевая цена не означает отсутствие товара. Оформите заказ, и менеджер сообщит вам цену и наличие товара, предварительно запросив их у поставщика

Главная Магазины
Корзина0
Профиль