Мы используем cookie для наилучшего представления нашего сайта. Подробнее об этом в Политике конфиденциальности.
Ок

Назрань

Ваш город:
Назрань (Республика Ингушетия)?
Нет
Да
Каталог
Каталог Написать в WhatsApp
Мотоэкипировка

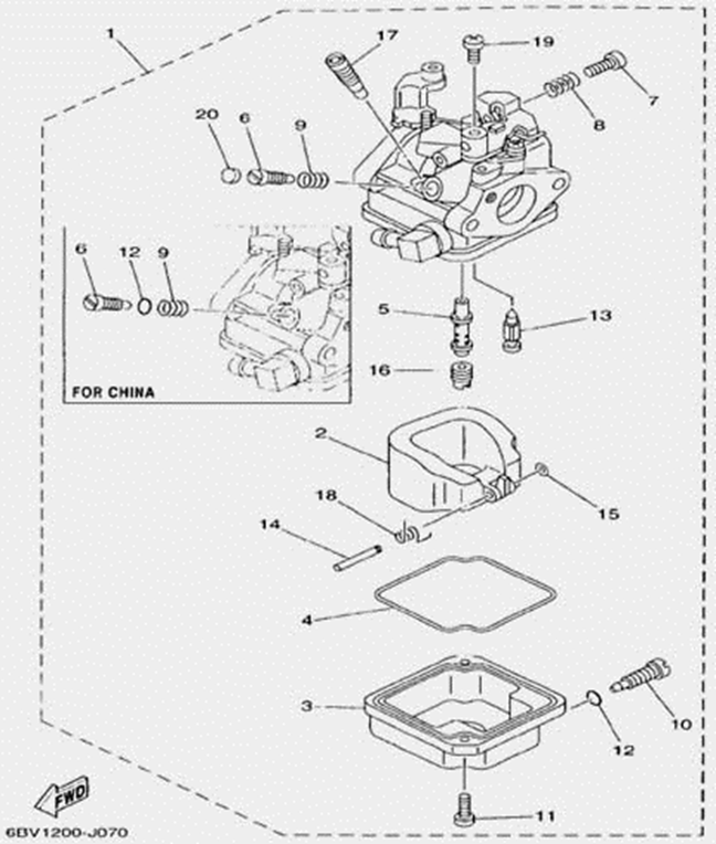
Запчасти для 4-х тактного ПЛМ YAMABISI F5BMS

Запчасти для 4-х тактного ПЛМ YAMABISI F5BMS в Назрани: актуальный каталог, цены, фото, описание. Купите запчасти для 4-х тактного плм yamabisi f5bms в кредит – оформите заявку онлайн за 1 минуту!
Для ускорения поиска, Ты можешь ввести здесь часть названия детали, например «Поршень»

On-line каталоги

Главная Магазины
Корзина0
Профиль